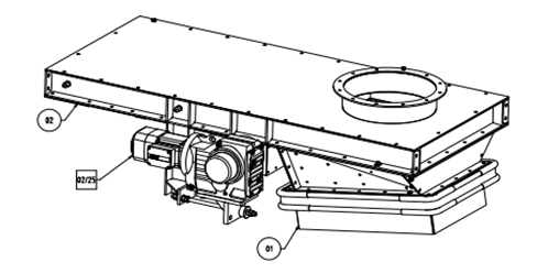
Morot Gate
설비제원
발생현상
- Top Slide Cover측 분진유입
- Motor Gate Open / Close Limit S/W 동작 불량
- Motor Gate 고착으로 인한 동작 불량 발생
발생원인
- Motor Gate Open / Close시 Gate Holder 틈으로 분진유입
- Motor Gate Open / Close시 Limit S/W 주변 분진 유입으로 인한 오동작 발생
- Motor Gate 연료로 끼임 및 고착으로 인한 Open / Close 동작 불량
조치방법
- Top Slide Cover측 분진유입으로 Gate 동작시 간섭으로 인한 전환 불량 사례 발생, 점검시 수시로 내부 분진제거 실시
- 특히 Scraper Conveyor-32 경우 W/C Day Bin Silo Front / Rear 측으로 Fuel Filling 위해 Slide Gate-A1 자주동작 하기에 Gate Holder Gap으로 인한 분진유입으로 단차구간 Packing 설치하여 분진유입을 막아보았지만 오히려 Gate 동작시 Packing 끼거나 탈락되는 경우 많아 다른 개선 방안이 필요함.
- Slide Gate Open / Close Limit S/W 경우 대부분 분진 유입으로 인한 간섭으로 동작 불량 발생 주변 분진 제거 및 Cleaning 실시
- Limit S/W Lever 고착, 내부접점 불량, Gate 사이 연료 끼임 등으로 인한 Full Open, Close 부족으로 Limit S/W Lever 미접촉으로 인한 Alarm 발생
- 비상시 상탄 루트를 변경하여 연료 공급이 필요한 경우 Slide Gate 고착 방지를 위해 Slide Gate Open / Close Test 실시
- Slide Gate 내부 고착으로 인한 동작 불량 사례, Scraper Conveyor-33 경우 PKS(WP) Day Bin Silo Fuel Filling 위해 Slide Gate-B2 Normal Open 상태로 유지, 반면 Slide Gate-B1 경우 Normal Close 상태, Close Position 상태에서 Gate 고착이 가중화 되어 Open 필요시 동작이 안되는경우가 많으므로 주기적으로 동작 Test 실시
점검중 주의사항
- Slide Gate-A1 경우 점검시 주기적으로 Gate Top Cover 내부 분진 청소가 필요함
- 모든 작업은 CCR 보고 후 PFW (안전작업허가) 승인 이후 작업 가능함
